Tarihte Bugün TB Jan Matzeliger ayakkabı makinesi icadı

19 Mart 1883 / 142 yıl önce

Erteleme
Unutma
Hatırla
Günlük Yaz...
Kendine Bir
İyilik Yap
GELECEĞE Mesaj gönder 10 Yıl Sonraki SEN 2035 SENİ BEKLİYOR
Tarihte Bugün
26 Kasım
Bugün
Ölenler
Bugün
Doğanlar
Bu Yıl Olanlar
2025
Bu Yıl Ölenler
2025
Bu Ay Ölenler
Kasım
Bu Ay Doğanlar
Kasım
Geçen Yıl Olanlar
2024
Geçen Yıl Ölenler
2024

Gazete Manşetleri

Burçlar

Yaş Hesapla

Gezegen Saatleri

Hicri Bugün

Tarihten Kesitler

Bu olay; Tarihte Bugün bilinmesi gereken ilk 3 olay içerisindedir.


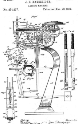
Jan Matzeliger ayakkabı makinesi icadı

Siyah Amerikalı ayakkabıcı ustası Jan E.Matzeliger bir ayakkabıyı bir seferde bütünüyle imal eden ilk makineyi icat ederek ayakkabı sanayisinde bir devrim yarattı

OLAY 142 yıl önce   tarihtebugun.org

OLAY Tarihte Bugün: 19 Mart 1883 Jan Matzeliger ayakkabı makinesi icadı





DİKKAT! Yorum yazmak için üye girişi gereklidir.
Ziyaretçi Ücretsiz Üyelik
Tablodan Kolay Erişim (Tablo Linkleri) -
Yorum Gönderme -
Profil Sayfası Oluşturma -
Olay Takip Sistemi -
Günlük E-Posta Alımı -
Sıralama (Başlık, Görsel, Yıllık, Aylık, Günlük, Türe Göre) -
Duyuru Bilgisi -
Günlük Yaz -
Kendi Tarihte Bugün Sayfanı Oluştur -
Geleceğe Mesaj Gönder -
Reklamsız İçerik
Giriş SEN DE KATIL
Arama
Tarihte Bugün 26 Kasım

Tarihte Bugün Bugün Doğanlar Bugün Ölenler





















Sitenize Tarihte Bugün Ekleyin

Tarihte Bugün ® | www.tarihtebugun.org